功能概述:
本产品为色彩65K触摸屏(可定制更大尺寸),主要为现场就地显示设计。可和各种测温采集终配合使用,在整个测温系统中进行数据直观展示及储存。运行其配套的监控软件,组成一个完整的无线测温监控系统。
匹配采集终端:
YGWT-2000S/P半球形无线测温终端
YGPWT-2000无源无线测温终端
YGPWT-2000VII无源无线测温终端
YGWT-2000W/L无源无线测温终端
YGPWT-2000/II无源无线测温终端
YGWTH-2000S/B/I温湿度终端
技术参数:
1、频率范围:适用所有测温终端
2、LCD 寿命50000 小时
3、触摸屏4 线工业电阻触摸屏
5、显示方式:15.6” 16:9 TFT LCD 屏
6、防水级别:不防水,适用于室内(户外使用时需加防水箱)
7、分辨率:1920×1080
8、通讯协议:自定义、部颁CDT、Modbus
9、管理数量:可管理300个测温终端
10、功耗:< 18W
11、电源:AC85至265V
12、工作温度:-20~70℃
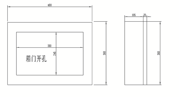
13、外形尺寸:394mm×256mm×36mm,厚度22mm 不含扩展
14、安装方式:嵌入式安装/VESA 安装
产品尺寸:
